The Minimum Viable Voltmeter

The Voltmeter Circuitry on a Breadboard

Custom PCB version. Same circuitry as the breadboard version, but easier to assemble.

Change Log

2026-02-22: Initial Draft, Work in Progress

2026-02-23: Further Draft, Work in Progress

2626-03-01: More drafting. Publicly available for the first time.

2026-03-06 - 7: Updates related to custom PCB, added repository information. Project complete?


Introduction

Interfacing with a Custom-Built Android App

This is my “Minimum Viable Voltmeter” concept.

Project Goals and Requirements:

Minimize:

  • Cost

  • Number of components

  • Complexity otherwise

While Still:

  • Measure both positive and negative voltages

  • Be electrically isolated from the MCU

I have no particular range or accuracy goal. Range is more or less a function of the resistor divider. Accuracy is a more of a vibe-based criteria where the displayed value needs to be a good representation of the real value.

Broader Purpose

Alternate View

In my job (mostly electronics engineering tech work) I’m frequently building systems where I want to monitor and/or log many different voltage rails. In most cases I do not need particularly high resolution or sampling speed (i.e. I’m ensuring a 24vdc rail is present after closing a relay, etc). This project explores the simplest way to make a voltmeter that can be used as building blocks for larger systems. In these systems we would use different strategies for more core aspects of our tests (i.e. characterizing a voltage dip when activating a components).


Design

The Core Component: The TI AMC0330R Isolation Op Amp

Functional diagram of the TI AMC0330R, from the PDF below

This is a very cool little IC that accepts a voltage on one side and outputs an isolated proportional single-ended voltage on the other side. (It does this by digitizing the voltage, sending it across the isolation barrier in binary, and then converting that back into an analog output.) This makes it very simple to build an isolated voltmeter.

The only addition components needed are an isolated dc-dc supply, filter caps, and a voltage divider

The TI Datasheet: https://www.ti.com/lit/ds/symlink/amc0330r-q1.pdf?ts=1770453569484

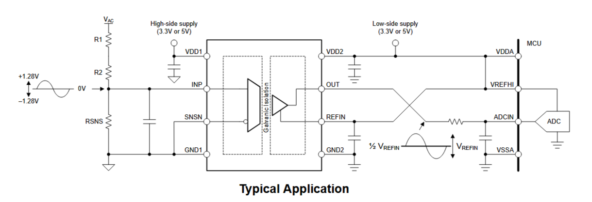
The Circuit

The circuit.

Other Design Notes

The PCB has separate pins to supply voltage to the DC-DC converter and the iso-amp, in case you wanted to use different voltages. Otherwise… There isn’t really much else to say. The point is minimalism…


Cost

The Isolation Amps cost about $4 each when you buy 10 ( https://www.mouser.com/ProductDetail/Texas-Instruments/AMC0330RDWVR?qs=HMhDvBYWqvMkBcLPrzG37g%3D%3D&countryCode=US&currencyCode=USD )

The DC-DC converter costs about $2.50 each for 10 ( https://www.mouser.com/ProductDetail/XP-Power/SCT01F03S05?qs=savM97goi5gPwe3AGkwyCg%3D%3D&countryCode=US&currencyCode=USD )

The caps and resistors round to $0…

I think the barrel jacks are around $0.50 each, although that’s higher quality ones. I’m not readily finding the link to when / where I ordered my current batch.

The PCBs were made by JLC and the per cost is around $3, but shipping and tariffs roughly double that. The unit cost would drop lower if I ordered more than 10.

That puts the cost at around $13 each. (Plus the cost of the board it will connect to.)


Results

Good, but noisy. A great solution when cost and simplicity dominate over range and precision, because it only uses a single analog input to an ADC, that ADC can be in the MCU, and the analog inputs are isolated from the MCU, so each voltage rail being measured can have a different grounds.

Measuring a VAC

Computer GUI, showing the VAC reading

Minimalist GUI version

A view of the meter with the computer GUI.

Android App Version of the GUI


 Repository

Here is the code for the Arduino, PC GUI, and Android App: https://github.com/oihdesigns/Micro-DMM/tree/main/ArduinoProgrammingFiles/Generic_DMM_Headless

*The Arduino sketch requires the user to uncomment/modify a line of code in setup if using an analog reference (as I am, but by default it’s commented out)

Here is the PCB design: https://github.com/oihdesigns/Micro-DMM/tree/main/PCBDesigns/AMC0330R_Mount